
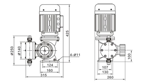
产品介绍
流量范围: 0-500 lph
压力范围: 0-1.0 MPa
电机功率:250- 370W,220V / 380V / 420V, 50/60Hz
驱动系统: 两相、三相电机或防爆电机
防护等级: IP54
流量控制:手动控制, 自动控制(接收4-20mA 信号) 材料
泵头: SUS304, SUS316, PVC, PTFE
隔膜: PTFE
单向阀: SUS304, SUS316, PVC, PTFE
阀球: ZrO2, SUS304, SUS316, 陶瓷
工作条件
环境温度: -30℃ --- 60℃
电机: 两相、三相标准电机或防爆电机
电机功率: 370W,220V / 380V / 420V, 50/60Hz
防护等级: IP54
特点
1. 操作安全,机械驱动隔膜。|
2. 密封性好,无泄漏,装配维修简单安全。
3. 它可以传输高粘度介质,腐蚀性液体和危险性的化学品。
4. 流量调节能够调节冲程长度或电机频率。
5. 隔膜为多层复合结构压制而成,第一层超韧性Teflon耐酸薄膜,第二层EPDM弹性橡胶,第三层3.0mmSUS304支撑铁芯,第四层采用强化尼龙纤维补,第五层采用EPDM弹性橡胶完全包履,可有效提出升隔膜适用寿命。
应用:广泛应用于石油化工、化工、电力、冶金、采矿、造船、轻工、农业、国防等工业。




